728x90
반응형
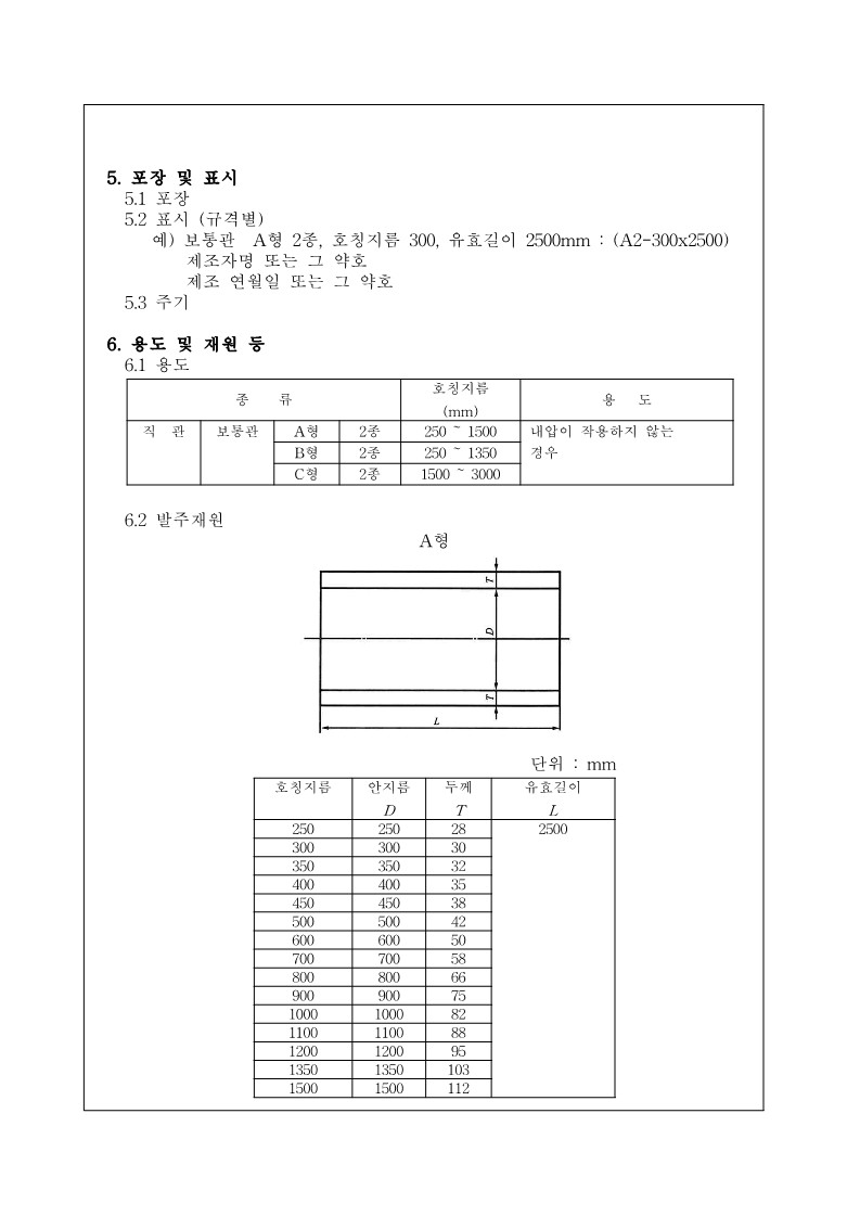
콘크리트관 규격서 (원심력철근콘크리트관)
지금부터 원심력철근콘크리트관 규격서에 대해서 간단히 알아보겠습니다.








728x90
반응형
그리드형
LIST
'토목 건축 자재 규정' 카테고리의 다른 글
| 사각개비온 및 사각매트리스개비온 규격서 (0) | 2022.10.03 |
|---|---|
| 토목용 자재인 사석 30KG 내외 규격서 (0) | 2021.11.22 |
| 토목용 자재인 뒷 채움 잡석 규격서 (0) | 2021.11.22 |
| 토목용 자재인 견치석 규격서 (간사석 , 깬잡석 ) (0) | 2021.11.22 |
| 보도 및 차도 또는 도로의 경계부에 사용하는 경계석 규격서 (0) | 2021.11.22 |